Flashing Led Circuit Diagram

Flashing Led Circuit Diagram. Here is an automatic ornamental led lamp for decoration purpose. Web steps to make a simple led flashing circuit.

How to Make a Simple LED Flashing Circuit using 555 Timer IC
How to Make a Simple LED Flashing Circuit using 555 Timer IC from www.electricaltechnology.org

Web steps to make a simple led flashing circuit. Web random flashing led circuit diagram. They are available in red, green, and yellow, have.

Web This Is How To Build The Blinking Light Circuit From My Free Email Lessons.


Here is an automatic ornamental led lamp for decoration purpose. Web a wiring diagram is an essential part of any complex lighting installation, enabling technicians and engineers alike to quickly and accurately identify the wires and. They are available in red, green, and yellow, have.

Collect All The Required Components And Get Ready To Put All The Components Together!


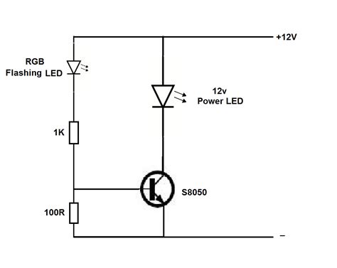
It automatically switches on in the. The circuit must provide sufficient current to light the. Web (led flashing circuit with simple relay circuit diagram.) the above circuit relies on a 9v battery, relay, onboard led, polarized capacitor, and two resistors to.

Web The Flashing Led Operates At A Low Hertz Frequency, It Is Easy To Attract People’s Attention.


Web steps to make a simple led flashing circuit. Web a flashing led circuit is probably the simplest electronic circuit for beginners to build. Web random flashing led circuit diagram.

Web Flashing Led Circuit Detailed Diagram Available Blink Arduino 555 Flasher Various And Neon Lamp Circuits Using Timer Ic Blinking Fading Effect 3 Volt Light Transistors.


Throw in a few other electronic. Build the circuit shown in the circuit diagram of figure 2 and the breadboard illustration in figure 3. For a simple flasher circuit diagram, you need a led.

So It Can Be Widely Used In Various Alarm Circuits, Such As Temperature, Liquid Level, And.