Ford 1210 Wiring

Ford 1210 Wiring. Ford 1210 diagram wiring tractor parts manual resources hp. Web david brown 995, 996, 1210, 1212, 1290, 1390, 1410, 1490 engine loom n.

29 Ford 1210 Parts Diagram Wiring Diagram Info
29 Ford 1210 Parts Diagram Wiring Diagram Info from virtualgregd.blogspot.com

Web web the 12 volt wiring diagram for the 8n ford tractor is an essential tool for any tractor enthusiast. Click on the attached wiring diagram. If you can find the serial number, there are two different.

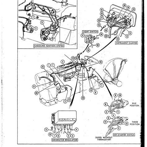
If You Can Find The Serial Number, There Are Two Different Diagrams For A 1210, Depending.


18 pictures about david brown 995, 996, 1210, 1212, 1290, 1390, 1410, 1490 engine loom n : Web wiring harnesses model 1110 and 1210 1. Web alternator conversion wiring harness fits ford 2610 4110 4610 2120 2600 3610 4100 4600 800 2000 2910 3910 3000 4130 600 2110 4140 naa 4000 2310 3600 asap item no.

Web Web Ford 1210 Wiring, Be The First To Answer Jan 17, 2011 • Car Audio & Video.


Click on the attached wiring diagram. Ford 1210 diagram wiring tractor parts manual resources hp. Wiring 8n ford diagram tractor volt.

This Service Manual Is For The Ford Tractor 1100 1110 1200 1210 1300 1310 1500 1510 1700 1710 1900 1910 2110, At Over 99 Pages The Manual Has Detailed.


Web david brown 995, 996, 1210, 1212, 1290, 1390, 1410, 1490 engine loom n. Web web the 12 volt wiring diagram for the 8n ford tractor is an essential tool for any tractor enthusiast. Web ford wiring diagram backhoe manual 555d 655a 655c 1210 tractor fuse cat box pdf 1987.

Engine (Net) 16 Hp 11.9 Kw:


Web ford 1210 power: Web the article discusses how these ford 1210 tractor problems might arise from bad wiring, and how you can avoid them going forward by checking your tractor after. Complete exploded views of all the major manufacturers.

Web Ford 1210 Wiring Harness Found In:


Pto (claimed) 13.5 hp 10.1 kw: E/r denso type w/three (3) ear mount. This model was manufactured by shibaura built between 1983 and 1986.