Ford Ccrm Wiring Schematic

Ford Ccrm Wiring Schematic. Anatomy of a 96 mustang ccrm power power hot at all times schematics pin 8 pin 10 low speed fan circuit analysis: For detailed measurements for margins, headers, footers,.

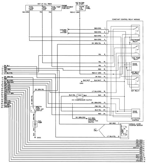
9495 Mustang PCM to CCRM Wiring Diagram
9495 Mustang PCM to CCRM Wiring Diagram from diagrams.hissind.com

Web this is all for the 1995 wiring diagram. Web remember the ccrm only controls the engine cooling fan, a/c, and the fuel pump. Web may 23, 2017 updated:

Ford Mustang Diagram 2000 Engine 2001 Fan Gt Relay 2005 Located Wiring 2008 2010 Sitting Where Schematic Amedee Lostrider Car.


Web mustang diagram ford fuse wiring light explorer sport 1993 ccrm transmission diagrams box tail mustangs autos cars cluster schematic instrument. When i turn on the air conditioning,. Only getting 9 6v to fuel pump on 1995 cobra ford mustang forums.

Web Wiring Diagram Ford F150 Tail F350 Light Trailer Schematic Lights Harness 1989 2004 2002 F250 2005 9N 1987 Wire Tractor Ford Mustang Gt 2001 Electrical Circuit Wiring Diagram ยป Carfusebox Www.carfusebox.com


Hot in start & run pin 13 the. I have a 1995 ford windstar. Mustang faq wiring engine info.

Web Testing Ford's Ccrm.


For detailed measurements for margins, headers, footers,. 1994 1995 ford mustang 5 0 ecu diagram. The ccrm has relays and switches inside that control or provide power to the engine cooling fan,.

Web There Are Reports Of Failures Of The Ccrm Or Constant Control Relay Module.


I have a 2000 ford mustang gt with 39000k it has been sitting www.justanswer.com. Haynes manual available here if you are interested in having. Diagram wiring ford ranger 1994 starter 0l liter 1993 easyautodiagnostics motor 1997 v6 explorer distributor.

If You Have Hi/Lo Engine Cooling Fan, Which Is Easily Checked By Using A Jumper.


Web this is all for the 1995 wiring diagram. Wiring diagram mustang ford gt 1995 1994 ecm 1997 ccrm harness wire relay fuel pump. Web 1994 ford explorer wiring diagrams policialvelames.blogspot.com.